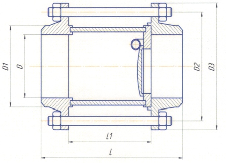
Клапан обратный поворотный стяжной межфланцевый РС-4301.МФ, РС-4302.МФ, РС-4303.МФ
Типа 19с11нж, 19лс11нж, 19нж11нж; DN 32 – 500 мм PN 10 – 250 кгс/см²
Изготовление и поставка по ТУ 3742-005-14911892-2013, ТУ 3700-012-14911892-2015.

|
Условное обозначение изделия |
DN, | PN, кгс/см² | ||||||||||||||||||||
| 10 | 16 | 25 | ||||||||||||||||||||
| D, | D1, | D2, | D3, | L, мм | L1, | Мас-са, кг | D, | D1, | D2, | D3, | L, мм | L1, | Мас- са, кг | D, | D1, | D2, | D3, | L, мм | L1, | Мас- са, кг | ||
| РС-43ХХ | 32 | 31 | 39 | 100 | 135 | 160 | * | * | 31 | 39 | 100 | 135 | 160 | * | * | 31 | 39 | 100 | 135 | 200 | * | * |
| РС-43ХХ | 40 | 38 | 46 | 110 | 145 | 165 | * | * | 38 | 46 | 110 | 145 | 165 | * | * | 38 | 46 | 110 | 145 | 210 | * | * |
| РС-43ХХ | 50 | 49 | 58 | 125 | 160 | 185 | * | * | 49 | 58 | 125 | 160 | 185 | * | * | 49 | 58 | 125 | 160 | 215 | * | * |
| РС-43ХХ | 80 | 78 | 90 | 160 | 195 | 195 | * | * | 78 | 90 | 160 | 195 | 195 | * | * | 78 | 90 | 160 | 195 | 220 | * | * |
| РС-43ХХ | 100 | 96 | 110 | 180 | 215 | 215 | * | * | 96 | 110 | 180 | 215 | 215 | * | * | 96 | 110 | 190 | 230 | 245 | * | * |
| РС-43ХХ | 150 | 146 | 161 | 240 | 280 | 240 | * | * | 146 | 161 | 240 | 280 | 240 | * | * | 146 | 161 | 250 | 300 | 260 | * | * |
| РС-43ХХ | 200 | 202 | 222 | 295 | 335 | 270 | * | * | 202 | 222 | 295 | 335 | 280 | * | * | 202 | 222 | 310 | 360 | 325 | * | * |
| РС-43ХХ | 250 | 254 | 276 | 350 | 390 | 345 | * | * | 254 | 278 | 355 | 405 | 340 | * | * | 254 | 278 | 370 | 425 | 360 | * | * |
| РС-43ХХ | 300 | 303 | 330 | 400 | 440 | 350 | * | * | 303 | 330 | 410 | 460 | 345 | * | * | 303 | 330 | 430 | 485 | 380 | * | * |
| РС-43ХХ | 350 | 351 | 382 | 460 | 500 | 380 | * | * | 351 | 382 | 470 | 520 | 370 | * | * | 351 | 382 | 490 | 550 | 390 | * | * |
| РС-43ХХ | 400 | 398 | 432 | 515 | 565 | 440 | * | * | 398 | 432 | 525 | 580 | 440 | * | * | 398 | 432 | 550 | 610 | 490 | * | * |
| РС-43ХХ | 500 | 501 | 535 | 620 | 670 | 520 | * | * | 501 | 535 | 650 | 710 | 520 | * | * | 500 | 535 | 660 | 730 | 535 | * | * |
|
Условное обозначение изделия |
DN, | PN, кгс/см² | ||||||||||||||||||||
| 40 | 63 | 80/100 | ||||||||||||||||||||
| D, | D1, | D2, | D3, | L, мм | L1, | Мас- са, кг | D, | D1, | D2, | D3, | L, мм | L1, | Мас- са, кг | D, | D1, | D2, | D3, | L, мм | L1, | Мас- са, кг | ||
| РС-43ХХ | 32 | 31 | 39 | 100 | 135 | 200 | * | * | 31 | 39 | 110 | 150 | 200 | * | * | 31 | 39 | 110 | 150 | 200 | * | * |
| РС-43ХХ | 40 | 38 | 46 | 110 | 145 | 210 | * | * | 37 | 46 | 125 | 165 | 210 | * | * | 37 | 46 | 125 | 165 | 215 | * | * |
| РС-43ХХ | 50 | 48 | 58 | 125 | 160 | 215 | * | * | 47 | 58 | 135 | 175 | 230 | * | * | 45 | 58 | 145 | 195 | 230 | * | * |
| РС-43ХХ | 80 | 78 | 90 | 160 | 195 | 220 | * | * | 77 | 90 | 170 | 210 | 240 | * | * | 75 | 90 | 180 | 230 | 290 | * | * |
| РС-43ХХ | 100 | 96 | 110 | 190 | 230 | 245 | * | * | 94 | 110 | 200 | 250 | 270 | * | * | 92 | 110 | 210 | 265 | 335 | * | * |
| РС-43ХХ | 150 | 145 | 161 | 250 | 300 | 260 | * | * | 142 | 161 | 280 | 340 | 335 | * | * | 136 | 161 | 290 | 350 | 440 | * | * |
| РС-43ХХ | 200 | 200 | 222 | 320 | 375 | 325 | * | * | 198 | 222 | 345 | 405 | 375 | * | * | 190 | 222 | 360 | 430 | 520 | * | * |
| РС-43ХХ | 250 | 252 | 278 | 385 | 445 | 410 | * | * | 246 | 278 | 400 | 470 | 440 | * | * | 236 | 278 | 430 | 500 | 610 | * | * |
| РС-43ХХ | 300 | 301 | 330 | 450 | 510 | 445 | * | * | 294 | 330 | 460 | 530 | 460 | * | * | 284 | 330 | 500 | 585 | 700 | * | * |
| РС-43ХХ | 350 | 351 | 382 | 510 | 570 | 470 | * | * | 342 | 382 | 525 | 595 | 520 | * | * | 332 | 382 | 560 | 655 | 780 | * | * |
| РС-43ХХ | 400 | 398 | 432 | 585 | 655 | 560 | * | * | 386 | 432 | 585 | 670 | 600 | * | * | - | - | - | - | - | - | - |
| РС-43ХХ | 500 | 495 | 535 | 670 | 755 | 615 | * | * | 485 | 535 | 705 | 800 | 670 | * | * | - | - | - | - | - | - | - |
|
Условное обозначение изделия |
DN, | PN, кгс/см² | ||||||||||||||||||||
| 160 | 200 | 250 | ||||||||||||||||||||
| D, | D1, | D2, | D3, | L, мм | L1, | Мас- са, кг | D, | D1, | D2, | D3, | L, мм | L1, | Мас- са, кг | D, | D1, | D2, | D3, | L, мм | L1, | Мас- са, кг | ||
| РС-43ХХ | 32 | 31 | 39 | 110 | 150 | 220 | * | * | 31 | 43 | 115 | 160 | 220 | * | * | * | * | * | * | * | * | * |
| РС-43ХХ | 40 | 37 | 46 | 125 | 165 | 230 | * | * | 36 | 49 | 124 | 170 | 230 | * | * | * | * | * | * | * | * | * |
| РС-43ХХ | 50 | 45 | 58 | 145 | 195 | 260 | * | * | 46 | 61 | 160 | 210 | 260 | * | * | * | * | * | * | * | * | * |
| РС-43ХХ | 80 | 75 | 90 | 180 | 230 | 330 | * | * | 80 | 110 | 230 | 290 | 350 | * | * | * | * | * | * | * | * | * |
| РС-43ХХ | 100 | 92 | 110 | 210 | 265 | 360 | * | * | 102 | 135 | 292 | 360 | 370 | * | * | * | * | * | * | * | * | * |
| РС-43ХХ | 150 | 136 | 161 | 290 | 350 | 450 | * | * | 150 | 196 | 360 | 440 | 460 | * | * | * | * | * | * | * | * | * |
| РС-43ХХ | 200 | 190 | 222 | 360 | 430 | 560 | * | * | 192 | 248 | 440 | 535 | 570 | * | * | * | * | * | * | * | * | * |
| РС-43ХХ | 250 | 236 | 278 | 430 | 500 | 630 | * | * | 254 | 330 | 572 | 670 | 650 | * | * | * | * | * | * | * | * | * |
| РС-43ХХ | 300 | 284 | 330 | 500 | 585 | 720 | * | * | - | - | - | - | - | - | - | - | - | - | - | - | - | - |
| РС-43ХХ | 350 | - | - | - | - | - | - | - | - | - | - | - | - | - | - | - | - | - | - | - | - | - |
| РС-43ХХ | 400 | - | - | - | - | - | - | - | - | - | - | - | - | - | - | - | - | - | - | - | - | - |
| РС-43ХХ | 500 | - | - | - | - | - | - | - | - | - | - | - | - | - | - | - | - | - | - | - | - | - |
* - Указывается по запросу заказчика
– Возможно изготовление затворов обратных другой строительной длины и размеров по требованию заказчика
Телефон : +7 (909) 306-46-99, +7 (85595) 2-75-55
Email : tek-office@mail.ru
Адрес : Казань, ул. Дубравная, 43 А
© 2004-2024 ООО «ТЭК-нефтесервис» | Партнер портала PriceShop.Ru - Добыча