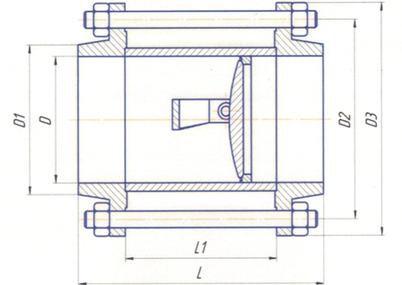
Клапан обратный поворотный стяжной межфланцевый РС-4701.МФ, РС-4702.МФ, РС-4703.МФ
Типа 19с47нж, 19лс47нж, 19нж47нж; DN 150 - 1200 мм; PN 16 - 160 кгс/см²
Изготовление и поставка по ТУ 3742-005-14911892-2013, ТУ 3700-012-14911892-2015

| Условное обозначение изделия |
DN, | PN, кгс/см² | |||||||||||||||||
| 16 | 25 | 40 | |||||||||||||||||
| D, | D1, | D2, | D3, | L, | Масса, кг | D, | D1, | D2, | D3, | L, | Масса, кг | D, | D1, | D2, | D3, | L, | Масса, кг | ||
| РС-47ХХ | 150 | 146 | 161 | 240 | 280 | 280 | * | 146 | 161 | 250 | 300 | 280 | * | 145 | 161 | 250 | 300 | 280 | * |
| РС-47ХХ | 200 | 202 | 222 | 295 | 335 | 330 | * | 202 | 222 | 310 | 360 | 330 | * | 200 | 222 | 320 | 375 | 330 | * |
| РС-47ХХ | 250 | 254 | 278 | 355 | 405 | 400 | * | 254 | 278 | 370 | 425 | 400 | * | 252 | 278 | 385 | 445 | 400 | * |
| РС-47ХХ | 300 | 303 | 330 | 410 | 460 | 450 | * | 303 | 330 | 430 | 485 | 450 | * | 301 | 330 | 450 | 510 | 450 | * |
| РС-47ХХ | 350 | 351 | 382 | 470 | 520 | 510 | * | 351 | 382 | 490 | 550 | 510 | * | 351 | 382 | 510 | 570 | 510 | * |
| РС-47ХХ | 400 | 398 | 432 | 525 | 580 | 570 | * | 398 | 432 | 550 | 610 | 570 | * | 398 | 432 | 585 | 655 | 570 | * |
| РС-47ХХ | 450 | 450 | 484 | 585 | 640 | 650 | * | 450 | 484 | 600 | 660 | 650 | * | 448 | 484 | 610 | 680 | 650 | * |
| РС-47ХХ | 500 | 501 | 535 | 650 | 710 | 700 | * | 500 | 535 | 660 | 730 | 700 | * | 495 | 535 | 670 | 755 | 700 | * |
| РС-47ХХ | 600 | 602 | 636 | 770 | 840 | 8300 | * | 600 | 636 | 770 | 845 | 8300 | * | 595 | 636 | 795 | 890 | 8300 | * |
| РС-47ХХ | 700 | 692 | 726 | 840 | 910 | 900 | * | 690 | 726 | 875 | 960 | 900 | * | 695 | 726 | 900 | 995 | 900 | * |
| РС-47ХХ | 800 | 792 | 826 | 950 | 1020 | 1000 | * | 790 | 826 | 990 | 1075 | 1000 | * | 795 | 826 | 1030 | 1135 | 1000 | * |
| РС-47ХХ | 900 | 892 | 926 | 1050 | 1120 | 1100 | * | 892 | 926 | 1090 | 1185 | 1100 | * | 895 | 926 | 1140 | 1250 | 1100 | * |
| РС-47ХХ | 1000 | 992 | 1028 | 1170 | 1255 | 1250 | * | 992 | 1028 | 1210 | 1315 | 1250 | * | 995 | 1028 | 1250 | 1360 | 1250 | * |
| РС-47ХХ | 1200 | 1192 | 1228 | 1390 | 1485 | 1500 | * | 1192 | 1228 | 1420 | 1525 | 1500 | * | 1195 | 1228 | 1460 | 1575 | 1500 | * |
| Условное обозначение изделия |
DN, | PN, кгс/см² | |||||||||||||||||
| 63 | 80/100 | 160 | |||||||||||||||||
| D, | D1, | D2, | D3, | L, | Масса, кг | D, | D1, | D2, | D3, | L, | Масса, кг | D, | D1, | D2, | D3, | L, | Масса, кг | ||
| РС-47ХХ | 150 | 142 | 161 | 280 | 340 | 300 | * | 136 | 161 | 290 | 350 | 320 | * | 136 | 161 | 290 | 350 | 330 | * |
| РС-47ХХ | 200 | 198 | 222 | 345 | 405 | 360 | * | 190 | 222 | 360 | 430 | 380 | * | 190 | 222 | 360 | 430 | 390 | * |
| РС-47ХХ | 250 | 246 | 278 | 400 | 470 | 450 | * | 236 | 278 | 430 | 500 | 470 | * | 236 | 278 | 430 | 500 | 480 | * |
| РС-47ХХ | 300 | 294 | 330 | 460 | 530 | 500 | * | 284 | 330 | 500 | 585 | 520 | * | 284 | 330 | 500 | 585 | 530 | * |
| РС-47ХХ | 350 | 342 | 382 | 525 | 595 | 560 | * | 332 | 382 | 560 | 655 | 580 | * | - | - | - | - | - | - |
| РС-47ХХ | 400 | 386 | 432 | 585 | 670 | 700 | * | 376 | 432 | 620 | 715 | 710 | * | - | - | - | - | - | - |
| РС-47ХХ | 500 | 485 | 535 | 705 | 800 | 880 | * | - | - | - | - | - | - | - | - | - | - | - | - |
| РС-47ХХ | 600 | 585 | 636 | 820 | 925 | 970 | * | - | - | - | - | - | - | - | - | - | - | - | - |
| РС-47ХХ | 700 | 685 | 726 | 935 | 1045 | 1100 | * | - | - | - | - | - | - | - | - | - | - | - | - |
| РС-47ХХ | 800 | 785 | 826 | 1050 | 1165 | 1300 | * | - | - | - | - | - | - | - | - | - | - | - | - |
| РС-47ХХ | 900 | 885 | 926 | 1170 | 1285 | 1400 | * | - | - | - | - | - | - | - | - | - | - | - | - |
| РС-47ХХ | 1000 | 985 | 1028 | 1290 | 1415 | 1650 | * | - | - | - | - | - | - | - | - | - | - | - | - |
| РС-47ХХ | 1200 | 1185 | 1228 | 1530 | 1665 | 1800 | * | - | - | - | - | - | - | - | - | - | - | - | - |
* - Указывается по запросу заказчика
– Возможно изготовление затворов обратных другой строительной длины и размеров по требованию заказчика
Телефон : +7 (909) 306-46-99, +7 (85595) 2-75-55
Email : tek-office@mail.ru
Адрес : Казань, ул. Дубравная, 43 А
© 2004-2024 ООО «ТЭК-нефтесервис» | Партнер портала PriceShop.Ru - Добыча